
1010型动态旋转扭矩传感器采用优质合金钢/不锈钢制成。电阻应变是其敏感元件,该集成式旋转扭矩传感器由集成电路构成。电源供应和信号输出均通过电刷实现。
1010型动态旋转扭矩传感器特点
- 该电阻应变式传感器是一款集成产品,由敏感元件和集成电路组成,电源和信号输出通过电刷实现。
- 扭矩测量范围:低至中量程,0-5-1000N·m可选;
- 可测量正反向扭矩值;
- 两端均采用轴键连接,安装使用简便。
- 转速最高可达1800rpm
- 适用于动态扭矩检测
技术参数
| 参数 | 技术指标 |
| 测量范围 | 5,10,20,50,100,200,300,500,1000Nm |
| 灵敏度 | 1.5±10% mV/V |
| 零点输出 | ±1% F.S. |
| 非线性 | ±0.1, 0.3% F.S. |
| 滞后 | ≤±0.05% F.S. |
| 重复性 | ≤±0.05% F.S |
| 蠕变 | ≤±0.03% F.S/30min |
| 温度灵敏度漂移 | 0.03% F.S. / 10℃ |
| 零点温度漂移 | 0.03% F.S. / 10℃ |
| 输入电阻 | 350,750±10Ω |
| 输出电阻 | 350,700±5Ω |
| 响应频率 | 100μS |
| 绝缘电阻 | ≥5000MΩ/100VDC |
| 激励电压 | 10VDC (9-15VDC) |
| 温度补偿范围 | -10 ~ 60℃ |
| 工作温度范围 | -20 ~ 65℃ |
| 安全过载 | 150% F.S. |
| 极限过载 | 200% F.S. |
| 电缆尺寸 | Ø5.2×3m |
| 电气连接 | 红/E+,黑/E-,绿/S+,白/S- |
| 材质 | 铝、不锈钢或合金钢 |
| 其他要求 | 可定制 |
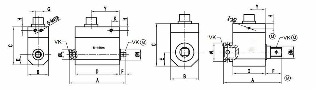
尺寸

| Model | Range Nm | VK | A | B | C | D | E | F | G | H | K | ΦL | ΦN | Y | Axial force N | Rradial force N |
| 1010 | 5,10,15 | 1/4″ | 77 | 28 | 52 | 58 | 14 | 8.5 | 8 | 5 | 11 | 13 | 14.8 | 38 | 150 | 30 |
| 1011 | 20,30,50 | 3/8″ | 74.5 | 38 | 58 | 44 | 19 | 18 | / | 6 | / | 25 | 12.7 | 22 | 500 | 60 |
| 1012 | 100 | 1/2″ | 79 | 38 | 58 | 44 | 19 | 22.5 | / | 6 | / | 25 | 16.6 | 22 | 700 | 100 |
| 1013 | 200-500 | 3/4″ | 97 | 58 | 76 | 50 | 29 | 30 | / | 5 | / | 40 | 30 | 25 | 2000 | 150 |
| 1015 | 1000 | 1″ | 112 | 73 | 90 | 57 | 36.5 | 34.5 | / | 5 | 28.5 | 50 | 40 | 28.5 | 4000 | 250 |
更多特色扭矩传感器
Sino-Inst 是一家动态旋转扭矩传感器制造商,产品范围涵盖0-5-1000N·m的动态扭矩测量。我们提供10余种 动态旋转扭矩传感器 。动态旋转扭矩传感器可测量各种不同的机械功率、转速和扭矩。
动态旋转扭矩传感器也称为旋转扭矩传感器或扭矩 传感器,主要用于动态工况下的扭矩测量。动态旋转扭矩传感器配备有转速测量装置 ,可在测量扭矩的同时测量转速。因此,动态旋转扭矩传感器也可称为扭矩速度传感器。
Sino-Inst的动态旋转扭矩传感器在中国制造,品质优良,价格实惠。我们的动态旋转扭矩传感器广泛应用于中国、印度、巴基斯坦、美国等国家和地区。
Sino-Inst的全体员工都经过严格的培训,确保满足每一位客户的需求。如果您在产品需求方面需要任何帮助,无论是动态旋转扭矩传感器、液位传感器 还是其他设备,请致电我们。
Request a Quote

吴鹏出生于1980年,是一位备受尊敬且成就卓著的男性工程师,在自动化领域拥有丰富的经验。凭借20多年的行业经验,吴鹏在学术和工程领域都做出了卓越的贡献。
在其职业生涯中,吴鹏参与了许多国内外工程项目。他最著名的项目包括炼油厂智能控制系统的开发、石化厂尖端分布式控制系统的设计以及天然气管道控制算法的优化。
1010 型动态旋转扭矩传感器 | 0-5-1000 N.m

1010型动态旋转扭矩传感器采用优质合金钢/不锈钢制成。电阻应变是其敏感元件,该集成式旋转扭矩传感器由集成电路构成。电源供应和信号输出均通过电刷实现。
Product SKU: 1010 Dynamic Rotary Torque Sensor
Product Brand: Sino-Inst
Product Currency: USD
Product Price: 700
Price Valid Until: 2029-09-09
Product In-Stock: InStock




