
超声波液位变送器,又称超声波液位传感器或超声波液位指示器,可对液体液位进行可靠、精确的非接触式测量。超声波非接触式技术没有活动部件,因此不会像接触式技术那样出现磨损、卡滞、腐蚀或涂层等问题。ULT-100 超声波液位变送器是一款防爆产品,特别适用于测量易燃易爆液体。
了解更多:磁致伸缩液位变送器
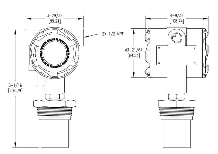
ULT-100超声波液位变送器的特点

- 可对兼容液体进行可靠、精确的非接触式液位测量。
- 非接触式技术没有活动部件,因此不会像接触式技术那样出现磨损、卡滞、腐蚀或涂层等问题。
- 映射软件使有效测量表面仅为直径 3 英寸(76.2 毫米)的立柱,无需担心梯子、管道或其他容器障碍物会影响剩余的声锥范围。
- 通过 FM 认证的防爆性能,使其成为危险场所的理想选择。
- 配备 6 位 LCD 显示屏和简洁的菜单结构,编程简便。
- 输出范围可通过输入容器尺寸或通过填充和排空容器进行校准来调节。校准过程中,设备会自动调整并根据检测到的液位进行缩放。
- 窗口盖方便查看显示屏
- 故障安全输出选项和诊断功能
超声波液位变送器规格
| 线制系统 | 两线制系统 | |
| 安装方式 | 集成式 | |
| 基本参数 | 最大测量范围(高温、液体) | 30m |
| 最大测量范围(高温、湿度) | 20m | |
| 最大测量范围(粒径 > 4毫米的固体颗粒) | 10m | |
| 盲区 | 0.25-0.5m | |
| 测量精度 | ±0.3%FS(标准条件) | |
| 分辨率 | ±1mm | |
| 输入 | 电源 | 12~36VDC/85~265VAC |
| 最大电流 | >22mA | |
| 纹波要求 | 小于±20mA | |
| 输出 | 模拟信号 | 4-20mA |
| 数字信号 | RS485、HART 5.0、Modbus RTU | |
| 开关 | 4 路 | |
| 材质 | 变送器 | 压铸铝合金 |
| 探头 | 防水ABS/耐腐蚀PTFE | |
| 法兰 | 法兰标准需由客户提供。尺寸与安装方式相关。 | |
| 也可定制各种PVC、PP、PTFE、碳钢和不锈钢法兰。 | ||
| 环境条件 | 环境温度 | -20°C~60°C。温度低于 20°C 时,液晶显示屏功能将受到限制。 |
| 户外仪器如暴露于阳光直射下,应采取防紫外线措施。 | ||
| 防护等级 | IP67 | |
| 防爆等级 | 阻燃型 ExdIICT4 | |
| 本质安全型 ExiaIICT4 | ||
| 工艺条件 | 工艺温度 | -40℃~100℃,超过70℃时需要高温探头 |
| 工艺压力 | 0.8~3bar 或 0.08~0.3MPa,海拔低于3000m。 | |
| 产品特性 | 模拟和数字输出可共享 | |
| 高防护等级 | ||
| 强大的抗干扰能力 | ||
| 功能全面 | ||

延伸阅读:超声波液位变送器使用指南
超声波液位变送器工作原理

超声波可以在气体、液体和 固体 中传播,并具有一定的传播速度。超声波在介质中传播时会被吸收和衰减。在气体中的衰减最大,在固体中的衰减最小。
超声波在穿过两种不同介质的界面时会发生反射和折射。对于声阻抗较大的界面,超声波几乎会被完全反射。从发射超声波到接收到发射信号的时间间隔与界面位置有关。超声波液位计正是利用超声波的这一特性进行液位测量。
超声波液位计的发射器和接收器可以安装在容器底部或顶部。发射器在界面处发射超声波,接收器接收超声波。通过测量从发射器接收到的超声波之间的时间间隔,即可测量液位。
根据声波传输介质的不同,超声波液位变送器可分为固体介质型、空气介质型和液体介质型三种。根据探头的工作方式,又可分为自发射自接收的单探头式和发射接收分离的双探头式。两者组合起来,可得到六种超声波液位计。
在实际测量中,液面上有时会出现气泡、悬浮物、波浪或液体沸腾等情况,导致反射干扰和测量误差。因此,在复杂情况下应使用固体介质型液位计。图1所示为单探头超声波液位计。它采用由控制电路控制的换能器,以时分复用的方式交替作为发射器和接收器工作。
假设超声波到液面的距离为 H,波的传播速度为 c,传播时间间隔为 Δt,则:H=cΔt/2
延伸阅读:固体雷达液位传感器——粉尘液位测量
超声波液位变送器校准程序
超声波在空气中的传播速度为340m/s。如果能够测量超声波在空气中的传播时间,就可以计算出传播距离。
超声波液位测量是通过测量超声波传播的时间间隔来计算声波传播距离。

具体方法:见上图。
安装在被测容器顶部的超声波探头向液面发射超声波束。声波经液面反射后被探头接收。
控制器测量传播时间t,根据声速v=340m/s,即可得到 液面到探头 的空间距离L。探头到容器底部的距离为H,容器内液面高度为h。

计算公式为:h=H-L,其中 L=v×t/2
由于温度会影响声速,因此需要测量空气温度 T 来校正声速。
校正公式为:v=331.46×T (℃)
B 为盲区。盲区是指在距离超声波探头底部很近的范围内,反射回波无法正常被检测到。这段很短的距离被称为超声波液位计的盲区。
在这个很短的范围内无法正常检测到反射波,是因为超声波液位计发射的是超声波脉冲,反射回波无法同时被检测到。
此外,由于发射的超声波脉冲具有一定的时宽,且传感器在发射超声波后仍存在后振动,在此期间,超声波液位计无法检测到反射回波。
测量液位时,如果待测液位最高点进入盲区,超声波液位计 将无法正确检测液位的实际高度,从而产生误差。遇到类似情况时,您可以根据需要调整液位计的安装位置,使其高于或低于液位。
因此,超声波液位测量范围为:0~(H-B)
了解更多:Class 1 Div 1 和 Class 1 Div 2 有什么区别?
特色超声波储罐液位传感器
超声波液位测量系统有哪些优势?
超声波液位变送器是测量腐蚀性、混合性或酸碱废水的理想工具。它可以测量包括盐酸、硫酸、氢氧化物、废水、树脂、石蜡、泥浆、碱液、漂白剂等在内的各种工业介质。
与其他液位计相比,超声波液位变送器还具有以下优势:
- 非接触式测量。
- 无运动部件,结构简单,使用寿命长。
- 耐腐蚀(大多数探头采用PVDF、PP等材料制成)。
- 自动温度补偿功能。
- 不受介质湿度和粘度的影响。
- 不受介质介电常数、电导率和热导率的影响。
- 性价比高。
延伸阅读:非接触式液位传感器工作原理
超声波液位变送器和雷达液位变送器有什么区别?

雷达液位变送器和超声波液位变送器都是液位测量仪器。最明显的区别在于,一个使用电磁波,另一个使用超声波。那么,除了这一点之外,雷达 液位变送器和超声波液位变送器还有哪些区别呢?
了解更多 超声波液位变送器与雷达液位变送器
如何选择防爆型超声波液位变送器?
超声波液位变送器分为防爆型和非防爆型。根据不同的工作条件,超声波液位计的型号选择也不同。防爆型又细分为本质安全型防爆型和非防爆型。防爆型是指将组件组装固定,并在外部使用不锈钢外壳。本质安全型防爆型是指将所有组件密封,并将爆炸性气体隔离在腔体外。更多关于 选择防爆型超声波液位传感器的考虑因素。

超声波液位变送器是一种常用的液位计,用于测量各种物料和液体的液位。它分为一体式和分体式两种类型。一体式超声波液位计可选两线制或四线制,两线制系统仅需提供24VDC、4-20mA电流回路。非接触式连续测量减少了维护工作,且经济高效。
- 被测介质为易燃易爆物质,多为液体和气体。例如:汽油、酒精、甲苯、二甲苯、丙酮、沼气、氢气等,其中大部分为有机化合物。固体介质包括金属镁、金属钠、黄磷等。
- 地下矿井,包括煤矿、铁矿等,几乎所有矿井都需要防爆型超声波液位计。
- 粉尘浓度高的场所,例如木材加工车间、煤炭加工车间,粉尘浓度达到一定程度也可能引发爆炸。
- 虽然不直接接触易燃易爆液体和气体,但在防爆区域,也需要安装防爆型超声波液位计和普通超声波液位计。例如:储罐区的消防池。
以上四种情况均需 安装防爆型超声波液位变送器,以避免潜在的安全隐患。
了解更多:指南:非接触式超声波检查
超声波液位变送器价格
超声波液位变送器的价格取决于以下参数:
- 被测介质的类型:液体或固体。
具体名称:清水、污水、泥浆、汽油、柴油、甲苯、二氧化硫等。
如果是液体:是否存在蒸汽、雾气、泡沫、波浪、搅拌或液面漂浮物。
如果是固体:是否存在粉尘。 - 介质的最低温度和最高压力。
- 介质的腐蚀性。如果安装在储罐中,需要了解储罐的材质以及是否有防腐衬里。
- 是否需要防爆和防腐蚀性能。
- 测量范围为几米,所需的盲区是多少。
- 工作环境:例如露天水池、带盖水池、卧式水池、立式水池、球形水池,以及水池是否处于常压等。
- 工作电压:24VDC 或 220VAC
- 输出信号:4~20mA 电流、485 通讯输出、继电器输出
- 设备形式:一体化
更多液位测量解决方案
Sino-Inst 提供 20 种 超声波液位变送器。其中约 13% 为防爆型超声波液位变送器,4% 为超声波液位传感器. 。
我们提供多种超声波液位变送器产品供您选择,包括免费样品和付费样品。
Sino-Inst 是一家位于中国的超声波液位变送器供应商。
超声波液位变送器产品在北美、中东和东欧市场广受欢迎。
美国和印度分别占超声波液位变送器出口总量的 99%、1% 和 1%。
选择通过 ISO9001 和 ISO14001 认证的供应商,您可以确保产品安全。
Request a Quote

吴鹏出生于1980年,是一位备受尊敬且成就卓著的男性工程师,在自动化领域拥有丰富的经验。凭借20多年的行业经验,吴鹏在学术和工程领域都做出了卓越的贡献。
在其职业生涯中,吴鹏参与了许多国内外工程项目。他最著名的项目包括炼油厂智能控制系统的开发、石化厂尖端分布式控制系统的设计以及天然气管道控制算法的优化。







