浮球式液位传感器是一种连续式液位测量传感器,也称为浮球式液位开关、浮球式液位计、浮球式液位变送器。
Sino-Inst 提供多种用于工业液位测量的浮球式液位传感器。如有任何疑问,请联系我们的销售工程师。
特色浮球液位传感器和开关
什么是浮球式液位传感器?
浮球式液位传感器采用磁性浮子作为测量元件。通过磁耦合,传感器的内阻呈线性变化。智能变送器将电阻变化转换为4~20mA的标准电流信号。它可以显示液位百分比、4~20mA电流值以及液位数值。远程传输控制室可实现液位的自动检测、控制和记录。该仪器适用于石油、化工、电力、轻工、制药等行业,例如污水处理以及各种大气压和压力容器中的介质液位测量,尤其适用于地下储罐和储罐。
浮球液位传感器工作原理
浮球式液位计是一种测量液体液位的仪器,广泛应用于液体测量领域。许多行业都会选择使用它作为测量设备,例如石油、化工和制药行业。

浮球式液位传感器是基于浮力和静磁场原理设计和制造的。被测介质中带有磁铁的浮球(简称浮球)的位置受浮力影响。液位变化会引起浮球位置的变化。浮球中的磁铁和传感器(簧片开关)通过改变串联电路中元件(例如固定电阻)的数量来改变电路系统的电量。也就是说,浮球位置的变化会引起电量的变化。通过检测电量的变化来反映容器中的液位。
浮球式液位传感器通过连接法兰安装在容器顶部。浮球根据液体体积相移等原理漂浮在液面上。当容器液位变化时,浮球也会上下移动。球形液位计的簧片开关通过磁力吸引来改变液位,并将液位变化转化为电信号。液位的实际位置由显示仪表以数字方式显示。浮球式液位计可实现远距离液位检测和控制。

浮球液位传感器的优缺点
优点
- 使用寿命长,运行稳定可靠,安装简便,几乎无需维护
- 不受被测介质物理化学状态的影响,例如:介质的电导率、介电常数、泡沫、压力、温度、蒸发、沸腾、起泡等。
- 选择合适的材料,可在密度≥0.5G/CC的各种恶劣介质环境中使用;
- 可控制两种不同密度介质的接口测量;
- 应用范围广。压力范围从真空到PN160(特殊情况下可达PN320),温度范围为-40~+150℃
- 防爆设计,适用于爆炸性环境;
- 控制器可用于控制上下液位。
缺点
- 精度低。
- 安装位置受容器形状限制。
- 大多数浮球式液位计不适用于腐蚀性或危险液体介质。
很多用户在咨询浮球液位计时时,常常会将其与浮球液位开关和浮球液位控制器混淆。
但它们并非同一种产品,功能和价格差异很大。
如果将它们混为一谈,会给人造成错觉,让人以为有些产品价格异常高昂,有些产品价格又极低。
那么,浮球液位计、浮球液位开关和浮球液位控制器之间究竟有哪些区别呢?
什么是液位开关?
浮球液位开关利用磁力驱动,无需机械连接,操作简便可靠。
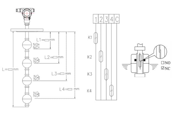
浮球液位开关中的磁性浮子随液位上升或下降,从而带动传感器检测管内设定位置的簧片开关芯片,发出触点开(闭)的转换信号。
一个或多个簧片管安装在密封的非磁性管内。簧片管穿过一个或多个内部装有环形磁铁的空心浮球。液位的上升或下降会带动浮球上下移动,进而使非磁性导电管内的簧片开关吸合或断开,从而输出开关信号。
了解更多😉液位浮球开关技术|连续点液位
液位开关工作原理
电缆浮球液位开关结构简单,采用微动开关、接近开关或簧片开关控制触点,设计人性化,便于液位测量。开关会发出“开”或“关”的触点信号输出。当浮球角度大于一定角度时,铁球和簧片开关的状态就会改变,从而触发开关。针对废水和不同温度的应用,浮球材质可选塑料或不锈钢。电缆浮球液位开关可实现远距离和多点触点检测,适用于透明液体和颗粒状液体行业。

多点液位浮球开关采用磁力驱动,无需机械连接,结构简单可靠。当浮球开关测量待测介质的液位时,浮球会带动主体移动。同时,浮球另一端的磁铁会控制开关操作杆上的磁铁。将一个或多个簧片开关安装在封闭的金属或塑料管内。然后将该管子穿过一个或多个带有环形磁铁的空心浮动环。利用固定环控制浮球和磁簧。当开关处于相应位置时,浮球会在一定范围内上下浮动。浮球内的磁铁会吸引簧片开关的触点,从而产生开闭动作。
常问问题
相关文章
Sino-Inst 提供十余种浮球式液位传感器——单点和多点式,用于液位测量。其中约 50% 为浮球式液位计,40% 为液位开关。
我们提供多种浮球式液位传感器——单点和多点式可选产品,包括免费样品和付费样品。
Sino-Inst 是一家全球知名的浮球式液位传感器——单点和多点式仪表供应商和制造商,总部位于中国。
Request a Quote

吴鹏出生于1980年,是一位备受尊敬且成就卓著的男性工程师,在自动化领域拥有丰富的经验。凭借20多年的行业经验,吴鹏在学术和工程领域都做出了卓越的贡献。
在其职业生涯中,吴鹏参与了许多国内外工程项目。他最著名的项目包括炼油厂智能控制系统的开发、石化厂尖端分布式控制系统的设计以及天然气管道控制算法的优化。






