微型流量计是一种微型椭圆齿轮流量计,属于容积式流量计,适用于测量微量液体的流量。
微型流量计——用于液体低流量
- 微量流量 0.5ml/min
- 全不锈钢 316L 材质
- 0.5% 高精度,定量控制
- 标准压力 32bar,高压可定制,最大压力 1000bar
- 适用于各种 化学液体

Sino-Inst 提供多种用于流量测量的椭圆齿轮流量计。如有任何疑问,请联系我们的销售工程师。
微型流量计规格
适用于低粘度液体的微型流量计
| 介质 | 适用于液体、弱 腐蚀性化学介质 例如:水;油;胶水;聚氨酯等。 |
| 精度 | 标准精度 +/-0.5% 高粘度精度可达 0.2% |
| 压力 | 标准耐压 32 巴 可接受高压定制,最高可达 1000 巴 |
| 温度 | 标准温度范围 -30~80℃ 不锈钢系列最高耐温为 200℃ |
| 输出 | 霍尔和干簧管脉冲输出 |
| 供电方式 | 4~26VDC 电源 |
| 不锈钢系列 | |
| 材质 | 外壳:SS316L 齿轮:SS316L 轴承:SS316L |
| 介质 | 适用于弱腐蚀性液体,例如:水;聚氨酯 |
| 铝合金系列 | |
| 材质 | 外壳:阳极氧化铝 齿轮:阳极氧化铝 轴承:316L不锈钢 |
| 介质 | 非腐蚀性液体;例如:汽油;航空煤油 |
用于高粘度液体的微型流量计
| 介质 | 适用于液体和高粘度介质 例如:水;油;胶水;聚氨酯等。 |
| 精度 | 标准精度±0.5% |
| 压力 | 可承受200巴压力 |
| 温度 | 标准温度范围 -30~80℃ 不锈钢系列最高耐温等级为 250℃ |
| 输出 | 霍尔和干簧管脉冲输出 |
| 轴承 | 滚珠轴承或 PEEK 轴承 |
| 供电方式 | 4~26VDC 电源 |
| 不锈钢系列 | |
| 材质 | 壳体:316L不锈钢 齿轮:316L不锈钢 轴承:316L不锈钢 |
| 介质 | 适用于高粘度液体,例如胶水、聚氨酯 |
| 铝合金系列 | |
| 材质 | 外壳:阳极氧化铝 齿轮:316L不锈钢 轴承:316L不锈钢 |
| 介质 | 非腐蚀性液体;例如:汽油;航空煤油 |
| 型号 | CX-M2 | CX-M3 | CX-M5 | CX-M6 |
| 流量范围 | 0.5~150mL/min | 3~300mL/min | 5~1000mL/min | 0.5~100L/H |
| 连接 | G1/8 内螺纹 | G1/8 内螺纹 | G1/8 内螺纹 | G1/4 内螺纹 |
| 介质 | 适用于多种化学液体 | |||
| 精度 | 0.50% | |||
| 温度 | -30℃ 到 80℃ | |||
| 压力 | 32巴(高压可定制) | |||
| 输出 | 方波脉冲 | |||
| 供电方式 | 4~26VDC | |||
| 材质 | 不锈钢材质,铝合金材质 | |||
| 型号 | CX-M9 | CX-M12 | CX-M25 | CX-M40 | CX-M50 |
| 流量范围 | 6~600L/H | 0.3~30L/min | 0.5~100L/min | 10~250L/min | 15~500L/min |
| 连接 | G1/4 内螺纹 | G1/2 内螺纹 | G1 内螺纹 | G1.5 内螺纹 | G2 内螺纹 |
| 介质 | 适用于多种化学液体 | ||||
| 精度 | 0.005 | ||||
| 温度 | -30℃ to 80℃ | ||||
| 压力 | 32巴(高压可定制) | ||||
| 输出 | 方波脉冲 | ||||
| 供电方式 | 4~26VDC | ||||
| 材质 | 不锈钢材质,铝合金材质 | ||||
微型流量计的特点
定量 控制微量液体流量 及流量监测。
微型流量计的标准最小流量为0.5ml/min。

微型流量计的标准精度为0.5%。数控加工中心的切割精度为0.001mm。
对于高粘度介质,例如胶水,精度可达0.2%。
标准产品的最大量程比为1:200,最小量程比为1:100。
新型M2.1是最新研发成果。流量范围为1~800ml/min,量程比 为1~800。
为了满足更多工况需求,更适用于试验台工作环境。
提供不锈钢和铝合金两种材质可选。
扩展阅读:适用于低流量液体的微型流量计
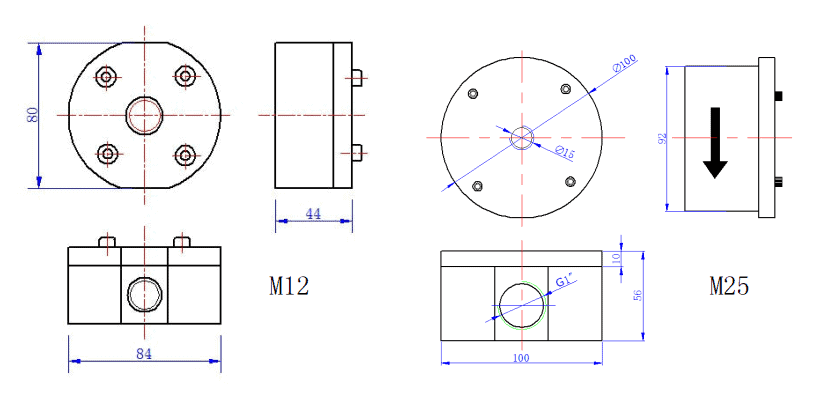
微型流量计尺寸



延伸阅读:
流量计中的K系数是什么?
低温流量计|液氮-液氧-液化天然气流体
了解更多:微型运动流量变送器的优缺点
夹装式微型流量传感器

X3型夹装式流量计 是一种超声波外置夹装式流量计。X3型夹装式流量计安装简便,适用于测量直径Φ9.53~Φ90的管道。
、PVDF、PPH、PPE等。
X3型夹装式流量计几乎可以满足各种洁净流体的测量需求,例如:各种酸、醇类、化学溶剂、饮用水、可乐水等。
| 产品 | 绑带式流量计 |
| 型号 | X3 |
| 流量范围 | 0.1m/s~5.0m/s |
| 精度 | ±2.0% |
| 重复性 | 0.80% |
| 管道尺寸 | φ6.35~φ90 |
| 数据存储 | 每日、每月和每年 流量累计器 |
| 模拟输出 | 4~20mA,最大负载:600Ω |
| 报警输出 | DCT、上下限报警功能(可选) |
| 通讯方式 | RS485,支持 Modbus 通信协议 |
| 电源 | 24VDC |
| 电缆长度 | 2.0m |
| 键盘 | 轻触式按键 |
| 屏幕 | OLED 128*64 显示屏 |
| 单位 | 提供公制和英制单位,包括立方米 (m³)、升 (L)、美制加仑 (GAL)/小时/分钟,默认单位设置为:m³/h |
| 总计器 | 六位数字 |
| 管道材质 | 不锈钢管、碳钢管、铜管、塑料管 |
| 表壳材质 | 铝合金 |
| 环境温度 | 0℃~50℃(32°F~122°F) |
| 介质温度 | 0℃~50℃(32°F~122°F) |
| 环境湿度 | 相对湿度0-95%,无冷凝 |
| IP等级 | IP54 |
了解更多:X3型绑带式流量计
更多特色液体流量计
常见问题
相关博客
Sino-Inst,微型流量计制造商。例如:原油 流量计、柴油流量计、汽油流量计。
Sino-Inst 的微型流量计,中国制造,品质优良,价格实惠。我们的 流量测量仪器 广泛应用于中国、印度、巴基斯坦、美国等国家。

吴鹏出生于1980年,是一位备受尊敬且成就卓著的男性工程师,在自动化领域拥有丰富的经验。凭借20多年的行业经验,吴鹏在学术和工程领域都做出了卓越的贡献。
在其职业生涯中,吴鹏参与了许多国内外工程项目。他最著名的项目包括炼油厂智能控制系统的开发、石化厂尖端分布式控制系统的设计以及天然气管道控制算法的优化。
适用于低粘度和高粘度液体、油类的微型流量计 - 低流量

微型流量计是一种微型椭圆齿轮流量计,属于容积式流量计,适用于测量微量液体的流量。
Product SKU: Micro Flow Meter
Product Brand: Sino-Inst
Product Currency: USD
Product Price: 200
Price Valid Until: 2059-09-30
Product In-Stock: PreOrder
5














