盾构机压力传感器测量端采用特殊处理的加厚高强度金属膜片。利用机械传动原理,被测介质中的硬砂和细小石粒通过隔离膜片感知压力,而不会损坏内部敏感元件。该压力传感器结构紧凑,耐腐蚀、耐振动、耐硬砂冲击,并具有宽范围温度补偿功能。适用于泥浆、湿土等介质的压力测量。

盾构机压力传感器的特点
- 采用隔膜隔离技术;
- 集成芯片,宽电压供电;
- 高防护等级,结构紧凑,安装简便;
- 截止频率设计,抗干扰能力强,具备防雷功能;
- 限流、限压、反接保护(限流输出);
- 耐振动、耐频繁高压冲击、耐沙粒冲击、耐磨损。
技术参数
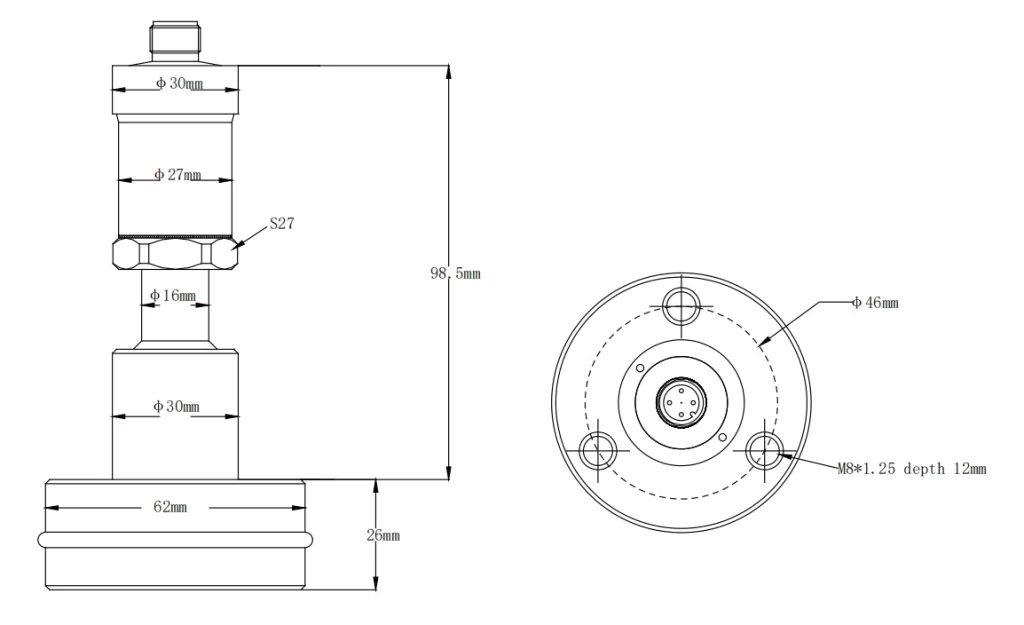
| 测量介质: | 泥浆、湿土等(与接触材料兼容) |
| 压力范围: | 0~0.6MPa(可定制10、16、25、40、60、100bar) |
| 压力测量方法: | 压力表 |
| 精度等级: | 0.5%FS |
| 介质温度: | -40~85℃ |
| 连接时间: | 20ms |
| 稳定性: | ±0.1% FS/年 |
| 温度补偿: | -10~70℃ |
| 温度漂移: | ±0.01%FS/℃(温度补偿范围内)±0.05%FS/℃(温度补偿范围外) |
| 保护等级: | IP65 |
| 耐用性: | 1×10⁶次(从测量范围下限到上限的循环次数) |
| 总重量: | ≈850g |
| 分辨率: | 模拟输出0.01%FS,数字输出0.05%FS |
| 输出信号: | 4-20mA(两线制),0-5/1-5/0-10VDC(三线制) |
| 供电电压: | 24VDC(10-30VDC) |

专业应用
重型机械专用压力变送器
当您操作的设备需要在恶劣环境和巨大压力下运行时,例如注浆机、隧道掘进机 (TBM)、制砖机和土压机,您需要的设备能够承受住压力——无论是字面意义上的压力还是比喻意义上的压力。这时,我们专业的压力变送器就能派上用场。
注浆机(灌浆机):
在灌浆机或注浆机领域,精确性至关重要。鉴于作业强度,我们压力变送器的特殊加厚金属膜片堪称典范部件。它不仅能高效感应灌浆料中硬质砂粒和细小石粒的压力,其独特的机械传动原理还能确保内部敏感元件不受损坏。这保证了精度,并减少了维护停机时间。
隧道掘进机(盾构机或TBM):
隧道施工是一项极具挑战性的任务。对于隧道掘进机(TBM)而言,由于其会遇到各种不同的地质结构和压力条件,我们的压力传感器发挥着至关重要的作用。它能够承受振动、腐蚀性环境以及坚硬砂粒的冲击,从而确保持续、实时地提供压力数据。这有助于在各种地质成分的条件下实现更安全的作业和最佳的机器性能。
制砖机:
砖瓦制造中,稳定性是品质的标志。我们压力变送器结构紧凑,温度补偿范围广,确保其能够持续提供精准的压力测量数据。这有助于生产出质量和强度均一的砖块,不受原材料或环境条件的影响。
土压式机械:
土压式挖掘机需要应对各种类型的土壤,每种土壤都有其独特的挑战。我们传感器的坚固设计使其能够承受某些土壤的腐蚀性和另一些土壤的磨蚀性,这使其价值非凡。它提供的快速、准确的压力读数使操作人员能够调整机器参数以实现最佳性能,从而确保高效作业并减少机械磨损。
更多特色压力传感器和解决方案
使用差压传感器优化过滤监控
低成本差压传感器——解决大问题!
氧气专用压力传感器 – 无油、无腐蚀、无杂质
带显示屏的顶级数字压力传感器
盾构机是隧道施工的核心设备,其工作压力的控制对隧道的安全和质量至关重要。通过控制盾构机的工作压力,施工人员可以有效控制隧道施工过程中的压力平衡,防止压力波动引发安全事故,确保施工顺利进行。
Sino-Inst供应灌浆机、盾构机、制砖机、压实机等专用压力传感器,可测量泥浆、液体、土壤等的压力。如有采购需求,欢迎随时联系我们的销售工程师咨询。
Request a Quote

吴鹏出生于1980年,是一位备受尊敬且成就卓著的男性工程师,在自动化领域拥有丰富的经验。凭借20多年的行业经验,吴鹏在学术和工程领域都做出了卓越的贡献。
在其职业生涯中,吴鹏参与了许多国内外工程项目。他最著名的项目包括炼油厂智能控制系统的开发、石化厂尖端分布式控制系统的设计以及天然气管道控制算法的优化。








