卫生压力变送器也称为卫生压力传感器或三夹压力变送器。卫生压力变送器用于食品饮料或制药应用。

卫生型压力变送器,也称为三夹式压力变送器。它是一种采用平膜片作为压力传感器的压力变送器。卫生型压力变送器使用平膜片直接感应压力。传感器接口有卡箍式、M27 × 2 和法兰式。
这款卫生型压力变送器专为满足食品饮料、制药和生物技术行业的需求而设计。
它尤其适用于CIP/SIP清洗过程的特殊条件,例如对清洗液的化学稳定性和高温。
Sino-Inst 提供多种卫生型压力变送器,用于工业压力测量。如有任何疑问,请联系我们的销售工程师。
卫生型压力变送器特点

- 压力接口采用316L平膜片结构
- 卫生防污
- 绝压、表压和密封参考压力测量范围广
- 密封性好,长期工作稳定
- 带散热片,耐高温介质应用性能好
- 输出信号可选,可根据客户要求定制
无液体填充隔膜。卫生级夹具配件
SI-350卫生型压力变送器采用平面膜片直接感应压力信号。扩散硅压力芯作为敏感元件。压力传输介质为标准硅油。
测量端采用316L不锈钢,并经过特殊焊接和加工。结构紧凑,耐腐蚀,抗振,并具有宽温度补偿范围。
SI-350卫生型压力变送器可防止污垢、不卫生和粘性介质堵塞。由于压力直接在螺纹膜片的裸露端,它特别适用于医疗和食品行业中具有卫生要求的粘性流体的压力测量。
它广泛应用于食品、医药、酿造和其他卫生行业。以及可对测量介质进行缩放的压力测试。
SI-350 卫生型压力变送器参数
| 型号 | 特点 |
|---|---|
| 350-02 | 卫生级压力变送器,量程0-10kPa,300%FS过压,2英寸卫生级夹具连接。 |
| 350-101 | 卫生级压力变送器,量程0-20kPa,300%FS过压,1-1/2″卫生级夹具连接。 |
| 350-12 | 卫生级压力变送器,量程0-400kPa,200%FS过压,2英寸卫生级夹具连接。 |
| 350-22 | 卫生级压力变送器,量程0-600kPa,200%FS过压,2英寸卫生级夹具连接。 |
| 350-32 | 卫生级压力变送器,量程0-1MPa,200%FS过压,2英寸卫生级卡箍连接。 |
| 350-42 | 卫生级压力变送器,量程0-1.6MPa,200%FS过压,2英寸卫生级卡箍连接。 |
| 350-52 | 卫生级压力变送器,量程0-2.5MPa,200%FS过压,2英寸卫生级卡箍连接。 |
| 350-62 | 卫生级压力变送器,量程0-6MPa,150%FS过压,2英寸卫生级卡箍连接。 |
| 350-72 | 卫生级压力变送器,量程0-10MPa,150%FS过压,2英寸卫生级卡箍连接。 |
| 量程 | -100kPa-0~10kPa-10MPa |
| 测压类型 | 表压、绝压、密封压力 |
| 功率输出 | 4 – 20 mA(12 – 30 VDC) 0 – 5V、1 – 5V、0.5 – 4.5V、0 – 10V(12 – 24VDC) |
| 精度 | 0.5% FS |
| 滞后和重复性 | 0.1%FS |
| 温度漂移 | 1.5% FS (-20 °C ~ 85 °C) |
| 响应时间 | ≤ 1ms (到达 90% FS) |
| 使用寿命 | ≥10x 10^6 压力循环 |
| 工作温度 | -20 ° C ~ 85 ° C |
| 储存温度 | -40 ° C ~ 85 ° C |
| 介质温度 | -40~85°C (无散热器) -40~150°C (三个散热器), -40°C~250°C (五个散热器) |
| 绝缘电阻 | ≥100MΩ/250VDC |
| 抗震性 | 正弦波: 20g, 25Hz~2kHz; IEC 60068-2-6 任意: 7.5grms, 5Hz ~ 1kHz; IEC 60068-2-64 |
| 防护等级 | IP65 |
| 介质兼容性 | 与多种介质兼容的316L不锈钢 |
| 防爆等级 | 本安防爆ExiaIICT6 |
阅读更多: 压力变送器的防爆等级
卫生型压力变送器应用
非常适合卫生条件要求较高的应用(例如乳制品、食品加工、制药等)。
医疗卫生、食品、酿酒、乳制品、饮料等粘稠易堵塞、卫生要求高、易于清洁的场合。
环保化工涂料、聚氨酯设备、油漆检测系统等。
阅读更多: 涡街卫生型流量计

- 卫生工艺应用
- 食品和饮料加工
- 水处理
- 乳制品加工
- 制药加工
阅读更多: 食品饮料行业食品级流量计
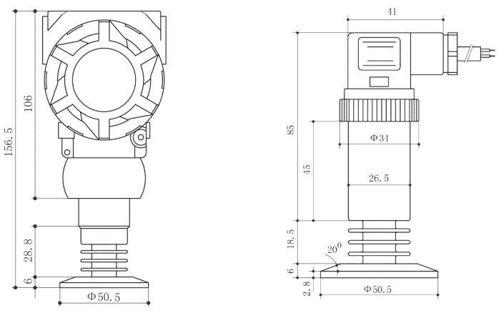
SI-350 卫生型压力变送器尺寸图

更多阅读: 什么是工业压力变送器?
更多压力变送器特色产品

当过程介质不应与测量仪器的受压部件接触时,可使用隔膜密封压力变送器。

低压传感器用于空气和非腐蚀性气体的低压测量。可测量0~2.5kPa至0~30kPa。

平齐膜片/隔膜结构,防堵塞设计。粘稠介质的压力测量。

液体压力传感器广泛用于测量各种液体的压力,例如水或油。防水等级为IP68。

气体压力传感器,用于工业气体压力监测。宝塔气嘴Φ8。此类传感器通常也被称为风压变送器、排气压力传感器。

高压传感器是专为高压测量和控制而设计的压力变送器。0 ~ 40MPa… 600MPa。M20×1.5,G1 / 2(其他根据要求定制)

适用于超高压应用的压力传感器。超高压最高可达15,00MPa。0-2000MPa至0-7000MPa(定制)。球头M20 × 1.5,锥头M20 × 1.5。
技术支持
平膜压力传感器
平膜压力传感器采用膜片隔离工艺,通过平膜直接感受压力,测试头上无压力孔,测量过程中不会出现粘稠介质堵塞现象。采用平膜结构,扩散硅压敏芯体,防潮性能好,介质兼容性优异。传感器接口有卡箍、螺纹和法兰三种选择。输出信号可选电压、电流等。传感器采用平膜结构,有效防止结垢、不卫生、粘稠液体堵塞等问题。
蒸汽压力变送器
高温压力传感器/变送器适用于蒸汽和流体。温度:-30 ℃ ~ 160-350 ℃,定制最高可达 850 °C。可以安装支架管、尾纤或其他冷却装置来降低介质温度。如果没有,高温压力传感器/变送器是最佳选择。压力通过变送器上的散热结构传输到传感器。高精度信号处理电路位于不锈钢外壳内。传感器输出信号转换为标准输出信号,如 4-20mA。
高压压力变送器
sino-Inst高压传感器在出厂前经过了数千次疲劳冲击试验和数天的中低温老化循环,解决了高压传感器在应力和零点不稳定方面的弊端,为客户提供可靠的高压测量产品。SI-702系列压力可达600MPa,精度等级高,成熟的生产工艺确保传感器特性优异,长期稳定工作。SI-702系列压力传感器适用于采油平台、水流设备、高压测量设备、液压控制系统、试验台架以及工业自动化控制等场合。benches, and industrial automation control.
其他卫生型产品

卫生双金属温度计也称为卫生温度计或三夹温度计。
Sino-Inst卫生型双金属温度计专为在未指定标准温度计套管或过程环境未暴露于压力的情况下直接插入卫生过程应用而设计。
卫生流量计,又称清洁涡轮流量计或卫生涡轮流量计。
卫生级涡轮流量计是一种食品级流量计,具有准确性、多功能性和经济性,可用于测量各种食品、饮料和药品。
All of Sino-Inst pressure transmitters can work with the AMS TREX!
常见问题回答
什么是压力变送器,它如何工作?
压力变送器是带有电传输输出的传感器,用于远程指示压力。过程变送器与压力传感器的区别在于其功能范围更广。
它们具有集成显示屏,提供高测量精度和可自由扩展的测量范围。通信通过数字信号进行,并提供防水和防爆认证。通过连接隔膜密封件,它们适用于最恶劣的工作条件。是原始设备制造商 (OEM)、过程应用、水处理和工业压力应用的理想选择。
压力变送器的输入是什么?
压力变送器是一种将压力变量转换为可传输的标准输出信号的仪器。其输出信号与压力变量之间存在给定的连续函数关系(通常为线性函数)。主要用于工业工程压力参数的测量和控制。差压变送器常用于流量测量。
压力变送器分为电动和气动两种。电动标准输出信号主要为0mA~10mA和4mA~20mA(或1V~5V)直流信号。
如何校准压力变送器?
变送器使用一段时间后,其计量性能可能会发生变化,出现零点漂移,测量误差增大。因此,需要定期校准。校准所用校准器的精度应为所需校准精度的3倍以上。使用压力校准器,将量程的0%、25%、50%、75%、100%的标准压力值正反输入变送器。检查电流输出信号是否在允许的精度范围内。如果超出允许范围,则需要进行调整。调整方法如下(4~20mA输出):
(1) 使用压力校准器输入4mA的标准压力,调节ZERO(零点)电位器,使4mA电流输出在精度范围内。
(2) 使用压力校准器输入20mA的标准压力,调节SPAN(量程)电位器,使20mA电流输出在精度范围内。
(3)ZERO和SPAN会互相包含。重复步骤(1)(2),直到4mA点和20mA点的电流输出同时满足精度要求。然后检查25%、50%、75%量程点的电流输出是否满足精度要求。如果满足要求,则变送器合格。
压力变送器有哪些类型?
根据设计,压力传感器可分为不同类型。
这些传感器有多种形状和尺寸,
但其内部技术也各不相同。
基于此,压力传感器主要分为四种类型:
应变计式压力传感器
电容式压力传感器
电位计式压力传感器
谐振线式压力传感器
了解更多 工业压力传感器
Sino-Inst 提供 10 多种卫生压力变送器。
大概50% 的压力变送器是 4-20mA 压力变送器, 40% 是 差压压力变送器,20% 是 隔膜密封压力变送器。20% 是 4-20ma 压力传感器接线图。
我们提供多种卫生级压力变送器供您选择,例如免费样品和付费样品。
Sino-Inst是一家全球知名的卫生级压力变送器供应商和制造商,总部位于中国。
最大的供应国是中国大陆,占卫生级压力变送器供应总量的 100%。
Sino-Ins 通过成熟的分销网络销售产品,覆盖美国 50 个州和全球 30 个国家。
卫生级压力变送器产品在国内市场、东南亚和中东地区最受欢迎。
您可以通过选择获得 ISO9001 和 ISO14001 认证的供应商来确保产品安全。
Request a Quote

SI2088-W Wireless Pressure Transmitter 
SI-390 Industrial Pressure Transmitter 
SI-10 Liquid pressure sensor 
SI-D100 Diaphragm pressure gauge 
Submersible Pressure Transmitter 
HART pressure transmitters 
SI1151GP Gauge Pressure Transmitter 
Liquid Turbine Flow Meters 
Magnetic Flow Meters 
Orifice flow meter 
Oem smart Pressure Transducer pressure sensor 
SMT3151LT Pressure Level Transmitter

吴鹏出生于1980年,是一位备受尊敬且成就卓著的男性工程师,在自动化领域拥有丰富的经验。凭借20多年的行业经验,吴鹏在学术和工程领域都做出了卓越的贡献。
在其职业生涯中,吴鹏参与了许多国内外工程项目。他最著名的项目包括炼油厂智能控制系统的开发、石化厂尖端分布式控制系统的设计以及天然气管道控制算法的优化。














