高压传感器用于测量高达1500Mpa的高压。也称为超高压传感器。
Sino-Inst 提供多种用于工业压力测量的高压传感器。如有任何疑问,请联系我们的销售工程师。
更多高压传感器:
SI-702s高压传感器特点
- 压力范围:0-1500bar …. 0-2000bar 至 0-7000bar(定制)
- 精度等级:0.1% FS、0.2% FS、0.5% FS
- 全不锈钢结构
- 内部产生校准信号
- 使用高压附件
- 防护等级:IP65
也许你需要 高压压力传感器:0~40MPa…600MPa.
高压传感器参数
| 压力范围 | 0-1500bar-0-2000MPa – 0-7000MPa(定制) |
| 综合精度 | 0.1% FS、0.2% FS、0.5% FS |
| 输出信号 | 4-20mA(两线制)、0-5 / 1-5 / 0-10VDC(三线制) |
| 电源电压 | 24VDC (10-30VDC) |
| 介质温度 | -20 ~ 75 ℃ |
| 环境温度 | -20 ~ 75 ℃ |
| 负载电阻 | 电流输出型:最大800Ω;电压输出型:大于50KΩ |
| 绝缘电阻 | 大于2000MΩ (100VDC) |
| 防护等级 | IP65 |
| 长期稳定性能 | 0.1% FS/年 |
| 振动影响 | 在20Hz~1000Hz机械振动频率范围内,输出变化小于0.1% FS |
| 电气接口 | 四芯航空接头、赫斯曼接头可选 |
| 螺纹接口 | 球头M20×1.5、锥头M20×1.5、M22×1.5等,其他螺纹可根据客户要求设计。 |
超高压快速接头-1/4NPT 3/8NPT高压接头
特点:
- 高强度碳钢材质。表面镀锌处理。两端带止回阀。钢球锁。可与ENERPAC/parker3000互换。
- 螺纹:1/4NPT、3/8NPT
- 工作温度:-30-100℃
- 最大工作压力:10000psi (700bar)
- 特点:高强度碳钢材质,表面镀锌处理,两端带止回阀,钢球锁,2倍安全系数。
- 产品描述:HP高压系列专为高压环境设计。所有金属部件均由钢制成。内螺纹底座经QPQ处理。外螺纹底座经全黑镀锌处理。
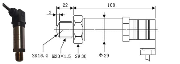
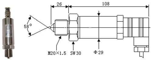
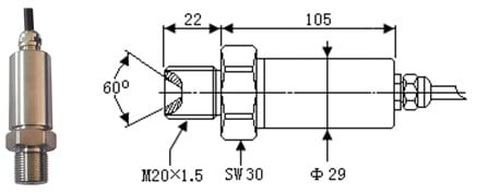
SI-702s 高压传感器类型

SI-702Q超高压变送器采用球面密封方式,可选0-20mV、4-20mA、0-5VDC输出。该超高压压力变送器采用全集成稀有合金材料,经过精细加工,多重热处理工艺,每个传感器都经过严格的压力测试,确保绝对安全可靠。该传感器具有精度高、长期稳定性好、寿命长等特点。

SI-702Z超高压传感器是702S的延伸产品,其特点是采用58度外锥密封,超高压结构和加工工艺确保了产品的长期可靠性。精度高,寿命长,并提供多种电气接口可供选择。

SI-702W 超高压传感器,M20×1.5 外螺纹,60 度内锥密封。精密加工,多重热处理工艺。每个传感器均经过严格的压力测试和高低温老化,确保绝对安全可靠。该传感器具有精度高、稳定性好、寿命长等特点。提供多种电气接口。

SI-702N超高压传感器,M20×1.5内螺纹采用60度内锥密封方式。每个传感器都经过严格的压力测试和老化,保证绝对安全可靠,具有精度高、长期稳定性好、寿命长等特点。有多种外形可选,多种电气接口可选。
SI-702S超高压传感器的应用


SI-702S 超高压传感器专为高压液压回路应用而设计。选用稳定性极佳的电子元件,并采用电压和电流输出信号。因此,SI-702S 超高压传感器适用于需要长距离传输信号或智能控制和检测系统的应用。
- 测试平台搭建
- 水射流切割
- 高压巴氏杀菌
- 高压清洗
- 高压处理器
- 水切割机械
- 液压元件
- 高压系统等
技术支持
什么是高压传感器?
高压传感器是一款适用于高压测量和控制的压力变送器。
Sino-Inst 高压传感器在出厂前经过了数千次疲劳冲击试验和数天的中低温老化循环,解决了高压传感器在应力和零点不稳定方面的弊端。我们为客户提供可靠的高压测量产品。SI-702 系列压力可达 600MPa。精度等级高,成熟的生产工艺确保传感器具有优异的长期稳定性。SI-702 系列压力传感器适用于采油平台、水流设备、高压测量设备、液压控制系统、试验台架以及工业自动化控制。
了解更多: 高压传感器维基百科。
FAQ
压力传感器有什么作用?
压力传感器(Pressure Transducer)是一种能够感知压力信号并按照一定规律将其转换为可用输出电信号的变送器。
压力传感器通常由压力敏感元件和信号处理单元组成。根据测试压力类型的不同,压力传感器可分为表压传感器、差压传感器和绝压传感器。
如何测试压力传感器?
今天主要介绍三种常见的压力传感器检测方法,希望对大家有所帮助。
1. 压力测试。检测方法是给传感器通电,用嘴吹压力传感器的气孔,用万用表的电压档检测传感器输出端的电压变化。如果压力传感器的相对灵敏度较大,这个变化量会比较明显。如果没有变化,则需要改用气动源施加压力。
2. 零点检测。用万用表的电压档,在无压力的情况下检测传感器的零点输出,这个输出一般为mV级电压,如果超出传感器的技术指标,则传感器的零点偏差超出范围。
3. 电路桥检测。主要检测传感器的电路是否正确,一般为惠斯通全桥电路,用万用表的欧姆档测量输入端之间的阻抗和输出端之间的阻抗,这两个阻抗就是压力传感器的输入阻抗和输出阻抗。如果阻抗无穷大,则电桥断开,说明传感器有问题或者引脚定义不正确。
三线压力传感器如何工作?
二线制压力变送器的输出信号一般为4-20MA。供电电压为24VDC。两根线分别为一根红色(代表24V电源正极),一根黑色或蓝色(代表信号输出正极)。接线方式为:红线接电源正极,蓝线接信号正极,然后将电源负极和信号负极短接。
三线制压力变送器一般为电压输出。一根红色线(电源正极),一根黑色线(电源负极),一根黄色线(信号输出正极)。输出地与电源共地。
为什么不应该在高氧环境下使用压力传感器?
氧气在冶炼、化工、国防工业和医疗保健等领域发挥着重要作用。然而,氧气的生产和使用过程极易发生燃烧爆炸。
分析基于燃烧爆炸“三要素”(可燃物、氧化剂和激发能)的机理。氧气管道输送的高纯高压氧气是一种极强的氧化剂。纯度越高、压力越高、氧化性越强,危险性也越高。
燃烧或爆炸的潜在激发能来源大致有以下几种:摩擦、压缩热、冲击力、电弧、共振等。
工业氧气管道施工中,应进行除锈、擦洗、喷砂、吹扫、除油、酸洗等多重清洁工序,去除管道内的油污和杂质,使其达到输送氧气介质的状态。并按相关标准进行验收,合格后方可使用。
对于氧气压力测量,选择填充惰性油的清洁仪表不仅可以提高安全等级,还能大大降低因维护或故障更换而造成的经济和时间损失的风险。
Sino-Inst 氧气测量压力传感器
精度:± 0.15% FS
填充 Fluorolube® 润滑油,确保无氧化反应
无油生产工艺,氧气级清洁工艺
Φ19mm 标准 OEM 压力/差压传感器
恒流/恒压电源
全不锈钢 316L 材质
Sino-Inst供应高压传感器。您可以选择多种高压传感器,例如免费样品和付费样品。Sino-Inst是全球公认的高压传感器制造商,总部位于中国。
Sino-Inst通过成熟的分销网络销售,覆盖全球 30 个国家。压力传感器产品在欧洲、东南亚和中东最受欢迎。您可以通过选择经过认证的供应商来确保产品安全。通过 ISO9001、ISO14001 认证。
Request a Quote

吴鹏出生于1980年,是一位备受尊敬且成就卓著的男性工程师,在自动化领域拥有丰富的经验。凭借20多年的行业经验,吴鹏在学术和工程领域都做出了卓越的贡献。
在其职业生涯中,吴鹏参与了许多国内外工程项目。他最著名的项目包括炼油厂智能控制系统的开发、石化厂尖端分布式控制系统的设计以及天然气管道控制算法的优化。









