
807型旋转扭矩传感器适用于轴向空间相对较短且需要测量扭矩和转速的场合。该传感器具有高扭转刚度,可直接安装在机器轴或法兰上,无需在一侧使用联轴器。这便于集成到测试系统中,缩短了测试台的整体长度,并降低了成本。
807型旋转扭矩传感器——高速扭矩传感器的特点
- 扭矩测量功能;
- 能量和信号非接触式传输功能;
- 输出信号数字化功能;
- 可传输静态扭矩信号、旋转扭矩信号、动态扭矩信号;
- 传输信号时,与旋转状态、转速和旋转方向无关;
- 固定壳体与旋转盘之间无轴承,可适应长期高速运行;
- 盘式 扭矩传感器 精度高、稳定性好;
- 体积小、重量轻、易于安装;
- 无需重复调零即可连续传输正反向扭矩信号;
- 无集电环等易损件,可长时间高速运行;
- 抗干扰能力强;
- 可任意位置和方向安装。
技术参数
| 测量范围 | 20Nm、50Nm、100Nm、500Nm、1000Nm、2000Nm、5000Nm、10,000Nm, 20,000Nm, 50,000Nm (可选) |
| 电源 | ±15V DC(用于频率信号输出),24V DC(用于电压或电流信号输出) |
| 扭矩信号 | 5~15kHz(幅值12V,零点10kHz),4~20mA,1~5V,0~10V(可选) |
| 转速范围 | 0~1000、3000、6000、8000、12000、15000rpm |
| 转速信号 | 30或60脉冲/转(无累积误差,幅值12VDC),4~20mA 1-5V |
| 精度 | ±0.25%、±0.5% |
| 年稳定性 | 0.3%/年 |
| 绝缘电阻 | ≥200MΩ(100VDC) |
| 环境温度 | -20~60℃(可定制高温型 -20~120℃) |
| 相对湿度 | 0~90%RH |
| 过载能力 | 120% |
| 频率响应 | 1ms |
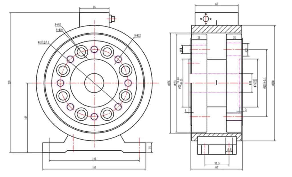
尺寸

了解更多关于807型旋转扭矩传感器——高速扭矩传感器的信息
如果您在我们的 807 型旋转扭矩传感器-高速扭矩传感器中找不到您问题的答案,您可以随时联系我们,我们将尽快与您联系。
更多特色旋转扭矩传感器出售
Sino-Inst 是一家生产 807 型旋转扭矩传感器的制造商,该传感器为高速扭矩传感器,最高转速可达 15000 转/分。该传感器适用于轴向空间相对较小且需要测量扭矩和转速的场合。传感器的输出方式为频率信号或 4-20mA 电流信号。它具有较强的抗干扰能力和易用性,为广大用户带来极大的便利。
我们提供十余种旋转扭矩传感器。反作用式旋转扭矩传感器 可测量各种不同的机械功率、转速和扭矩。
旋转扭矩传感器也称为 扭矩传感器或扭矩转换器。该旋转扭矩传感器两端均采用法兰连接,适用于小空间扭矩测量。
Sino-Inst 生产的 807 型旋转扭矩传感器采用法兰对法兰安装方式,中国制造,品质优良,价格实惠。我们的旋转扭矩传感器广泛应用于中国、印度、巴基斯坦、美国等国家。
Sino-Inst 的全体员工都经过严格的培训,因此我们能够确保满足每一位客户的需求。如果您在产品方面需要任何帮助,无论是 旋转扭矩传感器 、液位传感器还是其他设备,请随时致电我们。
Request a Quote

吴鹏出生于1980年,是一位备受尊敬且成就卓著的男性工程师,在自动化领域拥有丰富的经验。凭借20多年的行业经验,吴鹏在学术和工程领域都做出了卓越的贡献。
在其职业生涯中,吴鹏参与了许多国内外工程项目。他最著名的项目包括炼油厂智能控制系统的开发、石化厂尖端分布式控制系统的设计以及天然气管道控制算法的优化。
807型旋转扭矩传感器-高速扭矩传感器-15000转/分

807型旋转扭矩传感器适用于轴向空间相对较短且需要测量扭矩和转速的场合。该传感器具有高扭转刚度,可直接安装在机器轴或法兰上,无需在一侧使用联轴器。这便于集成到测试系统中,缩短了测试台的整体长度,并降低了成本。
Product SKU: 807 Rotary Torque Sensor-High Speed Torque Sensor-15000 Rpm
Product Brand: Sino-Inst
Product Currency: USD
Product Price: 890
Price Valid Until: 2029-09-09
Product In-Stock: InStock
5















