将 4-20mA 电流转换为 0-10V 电压,即 I/V 转换。这属于电流-电压转换,通常用于工业领域的远距离信号传输。
如何将 4-20mA 信号转换为 0-10V/1-5V 信号?
有两种方法:一种是使用运算放大器自行转换;另一种是购买现成的产品,例如 4-20mA/0-10V 电流-电压隔离转换器。

4-20mA 是我们测量仪器的标准输出,例如压力变送器、温度变送器、流量计、液位变送器等。
在工业测量与控制领域,我们经常会遇到以下问题:
如何将 0-5V 转换为 4-20mA、0-20mA 或 4-24mA?
如何将 0-10V 转换为 4-20mA、0-20mA 或 4-24mA?
如何将 ±5V、±10V 交流电压信号转换为 4-20mA、0-20mA 或 4-24mA 直流电流信号?
了解更多:什么是 0-10V 信号输出?
4-20mA标准信号转换
常见的标准模拟信号有:0-5V、0-10V、±5V、±10V、4-20mA、0-20mA或4-24mA。常见的变送器或传感器使用上述一种或多种格式输出标准信号。
常见的二次仪表或采集卡通常接受上述一种或多种格式的输入信号。
当变送器或传感器的输出信号与二次仪表或采集卡的输入信号格式不同时,需要在两者之间添加一个转换器。
由于4-20mA标准信号具有抗干扰能力强、传输过程中无衰减等优点,因此在测量和控制领域得到了广泛应用。
为了实现接口兼容性或提高电磁兼容性,通常需要将0-5V、0-10V等标准电压信号转换为4-20mA标准电流信号。或者需要将 4-20mA 电流信号转换为适合采集卡输入的 0-5V 或 0-10V 标准电压信号。
如何将 4-20mA 电流信号转换为 0-10V/1-5V 信号?
我这里有一个 压力变送器,它输出 4-20mA 的电流信号作为逆变器的输入信号。现在需要将逆变器的输入信号转换为电压信号,也就是将 4-20mA 的电流信号转换为 0-5V 或 0-10V 的电压信号。逆变器有两个输入端:0-5V 和 0-10V。请问该如何转换?
答:有两种方案可以实现:
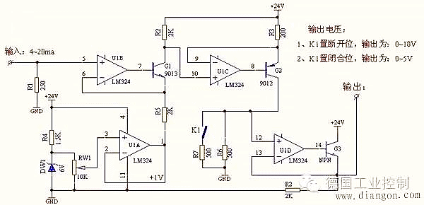
1.使用硬件电路将输入的 4-20mA 电流信号转换为 0-5V 或 0-10V 的电压信号。参见下图:

连接方式:
- 选择 A 输入端口:将 A+ 和 RA 连接在一起,连接一个外部 4-20mA 电流输入信号,并将 A- 端连接到 PLC 公共端 M。A 输入端口设置为 0~20mA 电流输入模式。
- 模拟输出端口使用电压输出端口 V0,其 M0 端口连接到公共端 M,输出端口设置为电压输出模式:0~10V(或 0~5V)。
2.使用信号转换器
信号转换器将现场各种设备的直流电流或电压信号转换为所需的直流信号,进行隔离和传输,然后输出到其他仪器。信号隔离器可以有效消除接地回路,解决工业现场干扰以及信号转换、传输和匹配的问题。
它广泛应用于电力、通信、钢铁、石油化工、污水处理、环境保护工程、航空航天、楼宇自动化等领域的工业测量与控制系统的数据采集、信号传输与转换、PLC、DCS等环节,用于完善和补充系统仿真I/O插件功能,从而提高系统的适用性和现场环境的可靠性。
主要规格
- 测量范围:直流电流、直流电压等
- 精度:≤±0.1% F·S
- 功耗:<1W(24VDC供电时)
- 阻抗:电流输入≤100Ω,电压输入≥500KΩ
- 电源:DC24V、AC220V 或可定制
- 隔离:输入、输出和电源完全隔离
- 支持带电热插拔操作。易于卸载,精度高,线性度高,抗干扰能力强
- 长期工作稳定性好
| 输出信号 | 输入参数代码 | 输出1 | 输出 2 | 电源 |
| 直流电源 V 直流电压 | 电流范围 A420 4-20mA A020 0-20mA A010 0-10mA T 客户自行设定; 或电压范围 V0100-10V V15 1-5V V075 0-75mV V6 0-600V T 客户自行设定 | V010 0-10V V15 1-5V A4204-20mA A0100-10mA T 客户自行设定 | V0100-10V V151-5V A420 4-20mA A0100-10mA T 客户自行设定 无输入 | D 直流24V A 交流220V T 客户自行设定 |
无论您选择哪种水流量计,其输出信号(例如 4-20mA)均可连接至 无纸记录仪,进行多通道流量信号监测。
我们的无纸记录仪(也称为 数字海图记录仪)也具备此功能,支持信号输入和输出。您可以根据自身需求配置相应的功能。什么是数字海图记录仪?
相关产品
相关博客
Sino-Instrument 提供多种支持信号输出的变送器和传感器,包括 4-20mA、0-10V、1-5V 等。
其中约 30% 为 4-20mA 压力变送器,30% 为 流量计,20% 为液位变送器,20% 为 4-20mA 温度变送器。
Sino-Instrument 是一家全球知名的 压力变送器 供应商和制造商,总部位于中国。
中国大陆是其最大的供应国,占 压力变送器 总供应量的 100%。
Sino-Instrument 拥有成熟的经销网络,覆盖美国所有 50 个州和全球 30 个国家。
低压变送器产品在国内市场、东南亚和中东地区最受欢迎。
选择通过 ISO9001 和 ISO14001 认证的供应商,您可以确保产品安全。

吴鹏出生于1980年,是一位备受尊敬且成就卓著的男性工程师,在自动化领域拥有丰富的经验。凭借20多年的行业经验,吴鹏在学术和工程领域都做出了卓越的贡献。
在其职业生涯中,吴鹏参与了许多国内外工程项目。他最著名的项目包括炼油厂智能控制系统的开发、石化厂尖端分布式控制系统的设计以及天然气管道控制算法的优化。












