
反作用式静态扭矩传感器两端均采用法兰连接,适用于间歇旋转的静态扭矩测试和扭矩值测量。测量过程中,传感器本体的旋转角度小于360度,无法进行连续旋转。适用于旋转功率的失速测试。广泛应用于各种扭矩测试仪、扭矩扳手及其他 静态扭矩测量 领域。
98型法兰对法兰反作用式静态扭矩传感器特点
- 该电阻应变式传感器是一款集成了精密元件和集成电路的产品,具有高精度和稳定性强的特点;
- 测量范围:0-0.2-50KN·m可选;
- 可测量正负两个方向的扭矩;
- 两端均为法兰连接,安装简便;
- 适用于静态扭矩的测量;
- 测量范围广,可测量大、中、低量程扭矩,非标产品可定制。
技术参数
| 量程 | 0-0.2、0.5、1、10、20、50、100、500、1000N·m…50KN·m,支持非标定制 |
| 输出 | 1-1.5mV/V,可选放大器,0-±5V、0-±10V、4-20mA、0-20mA 等 |
| 零点输出 | ±1%F.S |
| 精度误差 | ±0.1%F.S±0.2%F.S±0.3%F.S |
| 滞后 | ≤±0.05%F.S |
| 重复性 | ≤±0.05%F.S |
| 蠕变 | ≤±0.03%F.S/30min |
| 零点温度漂移 | 0.03%F.S/10℃ |
| 温度灵敏度漂移 | 0.03%F.S/10℃ |
| 输入电阻 | 750±10Ω |
| 输出电阻 | 700±5Ω |
| 绝缘电阻 | ≥5000M2/100VDC |
| 激励电压 | 9-15VDC 外接放大器 12/24VDC (9-30VDC) |
| 温度补偿范围 | -10~60℃ |
| 工作温度范围 | -20~80℃ |
| 安全过载 | 150%F.S 限值 200%F.S |
| 电缆规格 | 5.2mm*3m |
| 外壳材质 | 不锈钢或合金钢 |
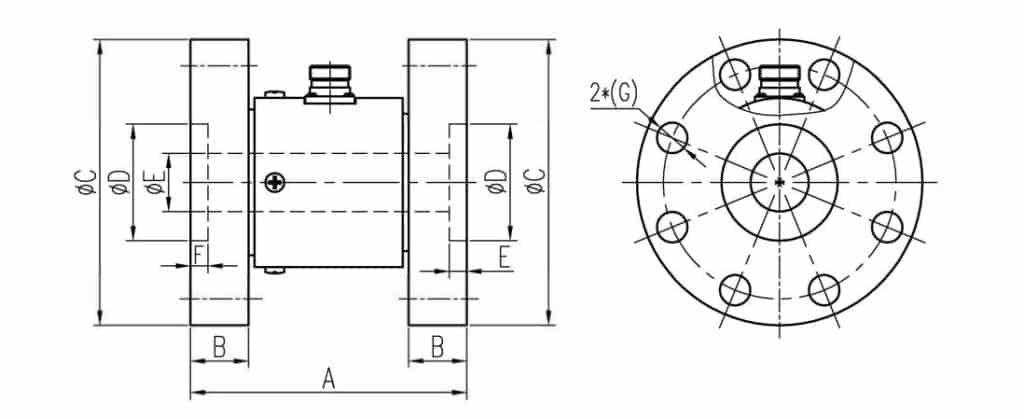
尺寸

| 型号 | 范围(Nm) | A | B | φC | φD | φE | F | G |
| 98A | 0-100 | 85 | 10 | 59 | 22 | 12 | 5 | 4-φ6.5 |
| 98B | 0-1000 | 95 | 20 | 98 | 40 | 20 | 6 | 8-φ10.5 |
| 98C | 0-5000 | 95 | 20 | 125 | 50 | 40 | 6 | 8-φ12.5 |
| 98D | 0-10000 | 160 | 30 | 190 | 80 | 30 | 6 | 8-φ19 |
| 98E | 0-50000 | 220 | 45 | 308 | 130 | 80 | 5 | 12-φ26 |
更多精选扭矩传感器出售
98型法兰式反作用静态扭矩传感器
Sino-Inst 是一家专业生产98型法兰式反作用静态扭矩传感器的制造商。我们提供20多种反作用静态扭矩传感器。反作用静态扭矩传感器可用于测量各种不同的机械功率、转速和扭矩。
反作用静态扭矩传感器也称为反作用扭矩传感器或扭矩转换器。主要用于静态扭矩测量。反作用静态扭矩传感器两端均采用法兰连接,适用于静态扭矩测量。
Sino-Inst 生产的反作用静态扭矩传感器在中国制造,质量优良,价格实惠。我们的反作用静态扭矩传感器广泛应用于中国、印度、巴基斯坦、美国等国家。
Sino-Inst 拥有一支训练有素的团队,能够确保满足每一位客户的需求。如果您在产品需求方面需要任何帮助,无论是反作用静态扭矩传感器、液位传感器还是其他设备,请致电我们。
Request a Quote

吴鹏出生于1980年,是一位备受尊敬且成就卓著的男性工程师,在自动化领域拥有丰富的经验。凭借20多年的行业经验,吴鹏在学术和工程领域都做出了卓越的贡献。
在其职业生涯中,吴鹏参与了许多国内外工程项目。他最著名的项目包括炼油厂智能控制系统的开发、石化厂尖端分布式控制系统的设计以及天然气管道控制算法的优化。
98 法兰间反作用静态扭矩传感器

反作用式静态扭矩传感器两端均采用法兰连接,适用于间歇旋转的静态扭矩测试和扭矩值测量。测量过程中,传感器本体的旋转角度小于360度,无法进行连续旋转。适用于旋转功率的失速测试。广泛应用于各种扭矩测试仪、扭矩扳手及其他 静态扭矩测量 领域。
Product SKU: 98 Flange-to-Flange Reaction Static Torque Sensor
Product Brand: Sino-Inst
Product Currency: USD
Product Price: 170
Price Valid Until: 2029-09-09
Product In-Stock: InStock
5










