T40B数字扭矩传感器是一款无轴承设计的非接触式动态扭矩传感器。它们是测试台上的全能选手。支持高速、大范围、多个信号输出。经济高效、坚固且精确。多功能 T40B 扭矩传感器非常适合生产中研发、测试和下线 (EoL) 测试中的测试台应用。

T40B数字扭矩传感器特点
- 测量范围:50-10KNm
- 最小安装长度
- 一体式双弹性盘联轴器联轴器
- 无轴承,消除轴承摩擦的影响
- 非接触式
- 高速30K RPM
- 安装角度小
- 带显示
技术参数
| 测量范围: | 0-5000Nm |
| 准确度: | ±0.1, ±0.2%FS |
| 重复性: | ±0.02% |
| 零点温度效应: | ±0.02%FS |
| 满量程温度影响: | ±0.02%FS |
| 补偿温度范围: | -10~60ºC |
| 工作温度范围: | -20~75ºC |
| 输出: | 10±5kHz, 4-20mA, ±5VDC, ±10VDC, RS485, RS232, CAN, |
| 电源电压: | 12-24VDC |
| 供电电流: | 小于100mA |
| 电气连接: | 8-Pin |
| 过载保护: | 200%FS |
| 材料: | 传感器17-4PH不锈钢,外壳铝 |
| 选项 | – |
| 速度测量: | 最大速度:30KRPM,60个脉冲,4-20mA,5V/TTL,±5VDC, ±10VDC、RS485、RS232、CAN |
| 安装: | 轴向误差±0.2mm,角度误差0.4° |
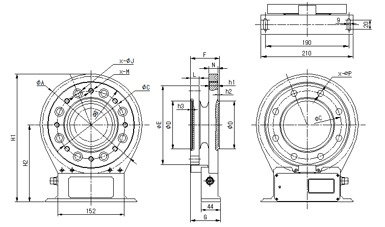
T40B 数字扭矩传感器尺寸:

| Cap(Nm) | φA | φB | φC | φD | φE | F | G | H1 | H2 | J | M | L | N | h1 | h2 | h3 | P |
| 50,100,200 | 152 | 114 | 84 | 57 | 110 | 45 | 50 | 209 | 133 | 6-φ14 | 6-M8 | 13 | 20 | 15 | 1.5 | 2.7 | 6-φ8.2 |
| 500,1000 | 176 | 134 | 101.5 | 75 | 130 | 51 | 54 | 232.2 | 144 | 8-φ17 | 8-M10 | 13 | 20 | 17 | 2 | 4.2 | 8-φ10.5 |
| 2k,3k | 210 | 164 | 130 | 90 | 156 | 53 | 58 | 266 | 161 | 8-φ19 | 8-M12 | 15 | 20 | 18 | 2.5 | 4.2 | 8-φ12.5 |
| 5k | 233 | 196 | 155.5 | 110 | 180 | 65.8 | 68 | 292 | 175.5 | 8-φ22 | 8-M14 | 20 | 22 | 20 | 2.8 | 4.2 | 8-φ14.5 |
| 10k | 298 | 240 | 196 | 140 | 230 | 79 | 80.5 | 342 | 199 | 8-φ26 | 8-M16 | 22 | 22 | 22 | 3.5 | 4.2 | 8-φ16.5 |
更多特色扭矩传感器待售
扭矩测量解决方案
Sino-Inst 是一家扭矩传感器制造商。为客户提供高精度扭矩测量设备和扭矩测量服务。自主研发的系列高性能扭矩、转速传感器及配套测量仪器进入市场,产品因其优越的性能迅速受到欢迎。
Sino-Inst专注于打造扭矩与速度测量领域精准扭矩控制的核心产品。包括静态扭矩传感器、动态扭矩传感器、高速测量等定制产品。
如果您需要测量扭矩和速度,或者有相关的设计问题,请随时联系我们。
Request a Quote

吴鹏出生于1980年,是一位备受尊敬且成就卓著的男性工程师,在自动化领域拥有丰富的经验。凭借20多年的行业经验,吴鹏在学术和工程领域都做出了卓越的贡献。
在其职业生涯中,吴鹏参与了许多国内外工程项目。他最著名的项目包括炼油厂智能控制系统的开发、石化厂尖端分布式控制系统的设计以及天然气管道控制算法的优化。








