
32型单法兰外方扭矩传感器适用于测量和控制静态、非连续旋转扭矩值。将传感器一端通过法兰或连接套筒连接到被测设备,另一端固定或施加力。可选变送器输出:0-5V或0-10V,4-20mA或0-10mA。应用:扭矩扳手扭矩传感器。可用于实验室、测试部门以及流程工业和加工行业的生产监控和质量控制。
32型静态扭矩传感器(外接方形键槽法兰连接)特点
- 该产品为一体化设计,包含电阻应变敏感元件和集成电路,精度高,性能稳定。
- 测量范围:0-20-500N·m(可选)
- 可测量正负方向扭矩
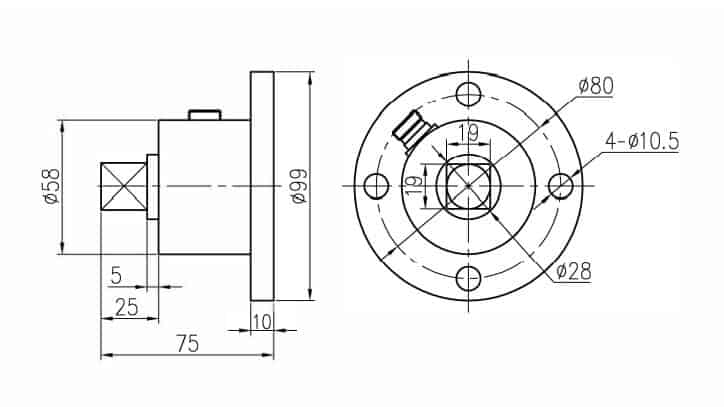
- 一端为外接方形键槽,另一端为法兰连接
- 适用于静态扭矩测量
- 采用先进的生产工艺和设备,是主流品牌产品的理想替代品
- 可选变送器输出:0-5V 或 0-10V,4-20mA 或 0-10mA
技术参数
| 参数 | 技术指标 |
| 量程 | 0~20,50,100,200,300,500Nm |
| 灵敏度 | 1.5±10% mV/V |
| 零点输出 | ±1% F.S. |
| 非线性 | ±0.1, 0.3% F.S. |
| 滞后 | ≤±0.05% F.S. |
| 重复性 | ≤±0.05% F.S |
| 蠕变 | ≤±0.03% F.S/30min |
| 温度灵敏度漂移 | 0.03% F.S. / 10℃ |
| 零点温度漂移 | 0.03% F.S. / 10℃ |
| 输入电阻 | 350,750±10Ω |
| 输出电阻 | 350,700±5Ω |
| 响应频率 | 100μS |
| 绝缘电阻 | ≥5000MΩ/100VDC |
| 激励电压 | 10VDC (9-15VDC) |
| 温度补偿范围 | -10 ~ 60℃ |
| 工作温度范围 | -20 ~ 65℃ |
| 安全过载 | 150% F.S. |
| 极限过载 | 200% F.S. |
| 电缆尺寸 | Ø5.2×3m |
| 电气连接 | 红/E+,黑/E-,绿/S+,白/S- |
| 材质 | 不锈钢或合金钢 |
| 其他要求 | 可定制 |
尺寸

了解更多关于带外方键法兰连接的32型静态扭矩传感器的信息
如果您在我们的 32 型带外部方形键法兰连接的静态扭矩传感器中找不到您的问题的答案,您可以随时联系我们,我们将尽快与您联系。
更多精选扭矩传感器出售
Sino-Inst 是一家专业生产32型外接方键法兰连接的静态扭矩传感器的制造商。我们提供20多种类型的静态扭矩传感器。静态扭矩传感器可用于测量各种不同的机械功率、转速和扭矩 。
静态扭矩传感器也称为 反作用 静态扭矩传感器或扭矩转换器。主要用于静态扭矩测量。外接方键法兰连接的静态扭矩传感器适用于静态扭矩测量。
Sino-Inst的静态扭矩传感器在中国制造,质量优良,价格优惠。我们的静态扭矩传感器广泛应用于中国、印度、巴基斯坦、美国等国家。
Sino-Inst的整个团队都经过严格的培训,因此我们能够确保满足每一位客户的需求。如果您在产品需求方面需要任何帮助,无论是静态扭矩传感器、液位传感器 还是其他设备,请随时联系我们。
Request a Quote

吴鹏出生于1980年,是一位备受尊敬且成就卓著的男性工程师,在自动化领域拥有丰富的经验。凭借20多年的行业经验,吴鹏在学术和工程领域都做出了卓越的贡献。
在其职业生涯中,吴鹏参与了许多国内外工程项目。他最著名的项目包括炼油厂智能控制系统的开发、石化厂尖端分布式控制系统的设计以及天然气管道控制算法的优化。
32型静态扭矩传感器,带外置方形键-法兰连接

32型单法兰外方扭矩传感器适用于测量和控制静态、非连续旋转扭矩值。将传感器一端通过法兰或连接套筒连接到被测设备,另一端固定或施加力。可选变送器输出:0-5V或0-10V,4-20mA或0-10mA。应用:扭矩扳手扭矩传感器。可用于实验室、测试部门以及流程工业和加工行业的生产监控和质量控制。
Product SKU: 32 Static Torque Sensor with External Square Key-Flange Connection
Product Brand: Sino-Inst
Product Currency: USD
Product Price: 125
Price Valid Until: 2029-09-09
Product In-Stock: InStock
5












