
56 微量程反作用扭矩传感器是一款专为狭小安装空间设计的小型静态扭矩传感器。两端底部均设有安装法兰。尺寸小巧,适用于狭小紧凑的空间。低量程静态扭矩测量,可选量程:0-0.1-20N·m。应用领域包括紧固件测试、发动机测试、汽车和航空航天发动机测试、汽车制动系统测试以及假肢测试等。
56微反作用扭矩传感器的特点
- 易于集成到 OEM应用中
- 专为扭矩校准而设计
- 铝合金或不锈钢材质
- 机械结构具备过载保护功能
- 采用金属箔应变片技术
- 尺寸小巧,法兰结构便于安装
- 不锈钢或铝合金结构,精度高,稳定性好
- 可用于静态扭矩测试准备、扭矩扳手及其他扭矩测试设备;
- 尺寸小巧,适用于空间有限的场所
- 低量程静态扭矩测量,0-0.1-20N·m可选
- 可测量正负方向的扭矩
技术参数
| 参数 | 技术规格 |
| 量程 | 0~0.1, 0..2,0.5,,1,2,3,5,10,20 Nm |
| 灵敏度 | 1.5±10% mV / V |
| 零点输出 | ±1% F.S. |
| 非线性 | ±0.1, 0.3% F.S. |
| 滞后 | ≤±0.05% F.S. |
| 重复性 | ≤±0.05% F.S |
| 蠕变 | ≤±0.03% F.S/30min |
| 温度灵敏度漂移 | 0.03% F.S. / 10℃ |
| 零点温度漂移 | 0.03% F.S. / 10℃ |
| 输入电阻 | 350,750±10Ω |
| 输出电阻 | 350,700±5Ω |
| 响应频率 | 100μS |
| 绝缘电阻 | ≥5000MΩ/ 100VDC |
| 激励电压 | 10VDC(9-15VDC) |
| 温度补偿范围 | -10 ~ 60℃ |
| 工作温度范围 | -20 ~ 65°C |
| 安全过载 | 150% F.S. |
| 极限过载 | 200% F.S. |
| 电缆尺寸 | Ø5.2×3m |
| 电气连接 | 红/E+,黑/E-,绿/S+,白/S- |
| 材质 | 铝、不锈钢或合金钢 |
| 其他要求 | 可定制 |
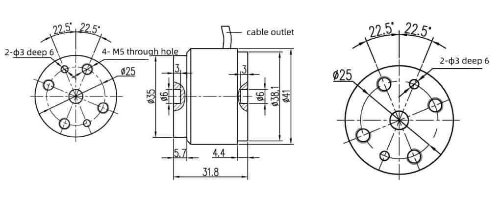
尺寸

了解更多关于 56 微反作用扭矩传感器的信息 | 适用于小范围、狭小空间
如果您在我们的 56 微反应扭矩传感器 | 适用于小范围、狭小空间 中找不到您问题的答案,您可以随时联系我们,我们将尽快与您联系。
更多精选扭矩传感器出售
Sino-Inst 是一家专业生产56型微型反作用扭矩传感器的制造商,产品适用于小范围、狭小空间应用。我们提供 10余种 微型反作用扭矩传感器 ,可用于测量各种不同的机械功率、转速和扭矩。
微型反作用扭矩传感器也称为反作用静态扭矩传感器或扭矩转换器,主要用于静态扭矩测量。该传感器两端均采用法兰连接,适用于小静态扭矩测量。
Sino-Inst 的微型反作用扭矩传感器在中国制造,品质优良,价格实惠。我们的反作用扭矩传感器广泛应用于中国、印度、巴基斯坦、美国等国家和地区。
Sino-Inst 的全体员工都经过专业培训,确保满足每一位客户的需求。如果您在产品方面需要任何帮助,无论是微型反作用扭矩传感器、液位传感器 还是其他设备,欢迎随时联系我们。
Request a Quote

吴鹏出生于1980年,是一位备受尊敬且成就卓著的男性工程师,在自动化领域拥有丰富的经验。凭借20多年的行业经验,吴鹏在学术和工程领域都做出了卓越的贡献。
在其职业生涯中,吴鹏参与了许多国内外工程项目。他最著名的项目包括炼油厂智能控制系统的开发、石化厂尖端分布式控制系统的设计以及天然气管道控制算法的优化。
56 微型反作用扭矩传感器 | 小量程,狭小空间

56 微量程反作用扭矩传感器是一款专为狭小安装空间设计的小型静态扭矩传感器。两端底部均设有安装法兰。尺寸小巧,适用于狭小紧凑的空间。低量程静态扭矩测量,可选量程:0-0.1-20N·m。应用领域包括紧固件测试、发动机测试、汽车和航空航天发动机测试、汽车制动系统测试以及假肢测试等。
Product SKU: 56 Micro Reaction Torque Sensor | For Small Range, Tight Spaces
Product Brand: Sino-Inst
Product Currency: USD
Product Price: 165
Price Valid Until: 2029-09-09
Product In-Stock: InStock
5










