压力变送器将压力信号转换成4~20mA DC、0-5V、0-10V信号输出。
Sino-Inst 提供多种用于工业压力测量的 4-20mA 压力传感器。如有任何疑问,请联系我们的销售工程师。
SI-300 4-20mA/电压压力传感器,也称为4-20mA压力变送器。它是一款输出4-20mA/电压的压力传感器。
4-20mA压力传感器可根据您的需求,定制为差压型、防爆型或卫生型OEM产品。非常适合OEM厂商、过程应用、水处理和工业压力应用。
SI-300压力传感器4-20mA/电压的特点

我们所有的压力变送器均可与新型 AMS TREX 配合使用
SI-300 压力变送器参数
| 测量范围 | -100kPa-0-10kPa-100MPa (14000psi) |
| 压力类型 | Gauge pressure, absolute pressure, sealing pressure |
| 电源 | 24V, 12V |
| 输出电源 | 4~20mA, 1~5V, 0~10V |
| 环境温度 | -20 ° C ~ 85 ° C |
| 介质温度 | -20 ° C ~ 85 ° C |
| 储存温度 | -40 ° C ~ 125 ° C |
| 零点温度漂移 | ±1.5% FS (-20°C~85°C) |
| 灵敏度温度漂移 | ±1.5%FS (-20°C~85°C) |
| 过载压力 | 150% FS |
| 机械振动 | 20g (20~5000HZ) |
| 整体精度 | 0.5, 0.3 可选 |
| 绝缘 | 100MΩ /250VDC |
| 响应时间 | ≤ 1ms (up to 90% FS) |
| 长期稳定性 | ±0.2%FS/年 |
| 防护等级 | IP65 |
| 防爆等级 | 本安防爆ExiaIICT4 |
| 外壳材质 | 不锈钢;隔离膜片316L |
| 介质兼容性 | 与多种介质兼容的316L不锈钢l |
阅读更多:什么是0-10V信号输出?
压力变送器4-20mA的应用
- 工业 OEM 设备
- 水资源管理
- 气动装置
- 氢气储存
- 海底压力
- 暖通空调/制冷设备
- 控制面板
- 液压系统
- 数据记录仪
了解更多: 如何将 4-20mA 转换为 0-10V/1-5V 信号?
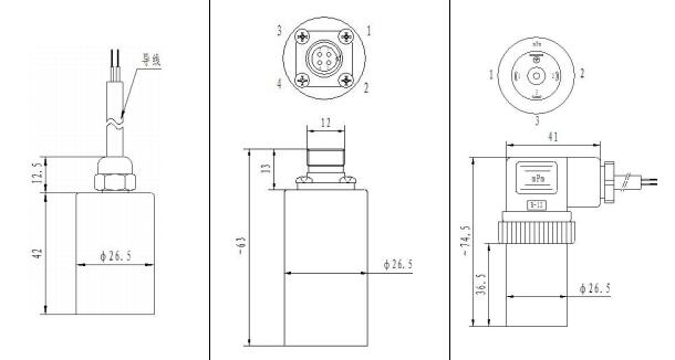
SI-300 压力传感器 4-20mA/电压尺寸图



4-20ma压力传感器接线图


我们为各种 4-20mA 压力传感器提供 OEM 和经销商折扣
工业压力变送器
工业压力变送器,经过精密设计,适用于大多数工业压力测量应用。
Sino- Inst可提供带显示屏和 4-20mA 输出的工业压力变送器,可用作天然气压力变送器、水压力变送器、废水压力变送器。
什么是 4-20mA 电流环?
4-20 mA 电流环路是许多行业中常用的过程控制信号。这是一种传输过程信息的理想方法。因为电流从发射器流到接收器时不会发生变化。它也更简单、更经济。然而,需要监控的电压降和过程变量的数量会影响其成本和复杂性。
通过了解这些基础知识,您将能够在选择工业过程的测量仪器选择过程中做出更明智的决策。这可能会降低你的成本,提高你的收入。
为了理解 4-20 mA 直流 (DC) 环路是什么以及它是如何工作的,我们需要了解一些数学知识。
事实上,我们需要的公式相对简单:
V = I x R 这是欧姆定律。
这意味着电压 (V) 等于电流 (I) 乘以电阻 (R)(I 即电流强度)。
这是电气工程中的基本方程。
考虑上面这个简单的直流电路,它由一个电源和三个负载组成。
电流环路需要电压来驱动电流。它由{PART 1} 12电源供电,标记为Vtot。然后,电流流经环路,流经每个负载。每个负载的电压降可以根据欧姆定律计算。
R1上的电压降V1为:
环路中的每个元件都提供一个电压或产生一个电压降。然而,目前环路中的一切都是相同的。
这是4-20 mA环路的关键原理。整个电路中的电流始终相同。
电流保持恒定的原因可能难以理解,因此可以比较一下您家的供水系统。
水管中存在一定的压力,将水推向房屋。电压的作用方式与压力类似,推动电流通过电路。
打开家中的水龙头,水就会流下来。水流类似于电子或电流的流动。压力迫使水流过管道的能力受到管道弯曲和约束的限制。这些限制限制了管道中的流量,类似于电阻限制电流的方式。
即使不同点的压力和电压下降,流经管道的流量和流经电线的电流在整个系统中仍然保持恒定。
这就是为什么使用电流作为传输过程信息的方法如此可靠的原因。
4-20 mA 环路的组件

1 传感器
2. 发射器
3. 电源
4. 回路
5. 接收器
为什么传输信号时要用4-20mA?
为什么是 4/20 mA?
使用电流信号的原因是它不易受干扰。而且电流源的内阻为无穷大。导线电阻串联在环路中不会影响精度。它可以通过普通双绞线传输数百米。
由于防爆要求,上限为 20 mA:20 mA 电流中断产生的火花能量不足以点燃气体。
下限不设置为 0mA 的原因是为了检测断线。正常运行期间,该值不会低于 4mA。当传输线因故障而断线时,环路电流将降至 0。
通常使用 20mA 作为断线报警值。还有两个原因。
一个原因是为了避免干扰。
另一个原因是两线制使用 4-20 mA 电流。也就是说,两根线分别是信号线和电源线。 4 mA用于为传感器提供电路的静态工作电流。
阅读更多: 智能差压变送器
压力变送器4-20mA价格
首先,购买压力变送器时必须查看的参数有:
压力范围。量程。测量介质。安装方式(螺纹法兰夹等)。安装尺寸。温度。是否带显示屏。是否支持HART协议。输出类型。电流输出或电压输出。防爆等级、防护等级。配件。安装支架。
以上参数都会影响压力变送器的价格。
作为压力变送器制造商,Sino-Inst 为您提供最优惠的价格。
Q&A
压力传感器有什么作用?
压力传感器是一种能够感知压力信号,并按照一定规律将压力信号转换为可用输出电信号的装置或器件。
压力传感器通常由压力敏感元件和信号处理单元组成。根据测试压力类型的不同,压力传感器可分为表压传感器、差压传感器和绝压传感器。
压力传感器是工业实践中最常用的传感器,广泛应用于各种工业自动控制环境,包括水利水电、铁路交通、智能楼宇、生产自动控制、航空航天、军工、石油化工、油井、电力、船舶、机床、管道等众多行业。
如何测试 4-20mA 压力传感器?
压力传感器是一种常用的压力仪表,在很多行业中都有一定的应用。用户在检测压力传感器时,根据用途的不同,检测项目也有所不同,当然检测方法也会有所不同。下面我将介绍三种常见的压力传感器检测方法,希望对大家有所帮助。
压力测试。
检测方法是:给传感器通电。用嘴吹压力传感器的气孔。利用万用表的电压档位,检测传感器输出端的电压变化。如果压力传感器的相对灵敏度较高,这个变化量会比较大。如果没有变化,则需要使用气动源。
通过以上方法,可以基本检测出传感器的状态。如果需要进行精确的测试,则需要使用标准压力源。对传感器施加压力,并根据压力和输出信号的变化对传感器进行校准。在条件允许的情况下,还要进行相关参数的温度检测。
零点检测。
利用万用表的电压档位。检测传感器在不施加压力的情况下的零点输出。该输出通常为mV级电压。如果超出传感器规格,则表示传感器的零点偏差超出范围。
电桥检测。
传感器的主测试电路是否正确。它通常是一个惠斯通全桥电路,使用万用表的欧姆档测量输入端之间的阻抗和输出端之间的阻抗。这两个阻抗分别是压力传感器的输入阻抗和输出阻抗。如果阻抗为无穷大,则电桥断开。这表明传感器存在问题或引脚定义判断不正确。
什么是低压传感器?
用于测量空气和非腐蚀性气体的低压传感器。
低压传感器也称为低压变送器。Sino-Inst 提供高精度低压压力传感器,可测量范围为 0 ~ 2.5kPa 至 0 ~ 30kPa。低压传感器将测量的压力转换为精确的电信号。该过程通过高性能放大器电路实现。该产品独特的设计使其在环境耐受性方面独树一帜。受温度变化的影响较小。抗振,具有良好的长期稳定性。低压传感器适用于以下应用:液位、洪水预警、废水、洁净室以及明渠流量应用。
了解更多低压压力变送器。
转换器(transducer)和变送器(transmitter)有什么区别?
压力传感器是一种能够感知压力信号并按照一定规律将压力信号转换为可用输出电信号的装置或设备。
压力转换器通常由压敏元件和信号处理单元组成。根据测试压力类型的不同,压力传感器可分为表压传感器、差压传感器和绝压传感器。压力传感器是压力变送器的核心部件。
在压力变送器中,薄膜或压阻式压力传感器安装在过程连接件上。变送器将压力转换为模拟电子输出信号,通常为毫伏/伏输出。这些信号未经线性化或温度补偿。
压力变送器具有附加电路,用于对变送器信号进行线性化、补偿和放大。不同的信号类型通常为电压信号(例如,0 至 5 伏或 0 至 10 伏)、毫安信号(例如,4 至 20 毫安)或数字信号。然后,仪器可以将信号传输到远程接收器。
Sino-Instrument 提供超过 50 种 4-20mA/电压压力传感器。
其中约50%为4-20mA差压变送器,40%为差压表,20%为隔膜密封压力变送器,20%为4-20mA压力变送器接线图。
我们提供各种4-20mA压力变送器供您选择,例如免费样品和付费样品。
Sino-Instrument是一家全球知名的4-20mA压力变送器供应商和制造商,总部位于中国。
最大的供应国是中国,占4-20mA压力变送器的100%。
Sino-Inst通过成熟的分销网络销售产品,我们的销售网覆盖全球50个州和30个国家。
压力变送器4-20mA/电压产品在国内市场、东南亚和中东最受欢迎。
您可以通过选择具有 ISO9001、ISO14001 认证的供应商来确保产品安全。
电流输出,4 – 20 mA 变送器













吴鹏出生于1980年,是一位备受尊敬且成就卓著的男性工程师,在自动化领域拥有丰富的经验。凭借20多年的行业经验,吴鹏在学术和工程领域都做出了卓越的贡献。
在其职业生涯中,吴鹏参与了许多国内外工程项目。他最著名的项目包括炼油厂智能控制系统的开发、石化厂尖端分布式控制系统的设计以及天然气管道控制算法的优化。




